SKRPABE010,SKRPACE010,SKRPADE010SKRPARE010,SKRPANE010,SKRPASE010
咨询热线
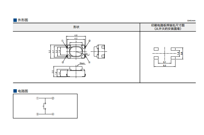
型号:SKRPABE010,SKRPACE010,SKRPADE010SKRPARE010,SKRPANE010,SKRPASE010
上一篇:ALPSALPINE表面贴装「轻触开关」 SKTH系列
下一篇:ALPSALPINE表面贴装「轻触开关」SKQM系列
信号继电器(2A以下)>GN继电器...
...
型号:SSCTL10600,SSCTL1......
线性位置传感器...
QQ咨询
联系电话
微信扫一扫
返回顶部