SKSLLAE010,SKSLLBE010,SKSLLCE010
咨询热线
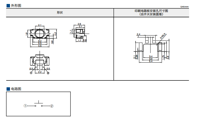
型号:SKSLLAE010,SKSLLBE010,SKSLLCE010
上一篇:ALPSALPINE表面贴装「轻触开关」SKSN系列
下一篇:ALPSALPINE表面贴装「轻触开关」SKPS系列
焦电型红外线传感器>EKMB (W......
型号HSPPAD132A,HSPPAD1......
信号继电器(2A以下)>GN继电器...
...
SF-Y继电器...
功率继电器(2A超)>DW继电器...
QQ咨询
联系电话
微信扫一扫
返回顶部