RDCC010002
咨询热线
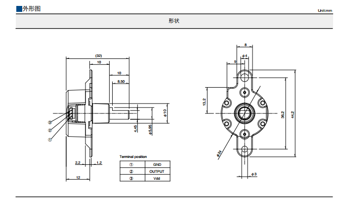
型号RDCC010002
上一篇:ALPSALPINE传感器旋转型 RD6R1A系列
下一篇:null
型号:SKPSACE010,SKPSAD......
...
7M小型按钮开关,段落分明,多样功能可选......
功率继电器(2A超)>DJ-H继电......
QQ咨询
联系电话
微信扫一扫
返回顶部