SSAC120100,SSAC120200
咨询热线
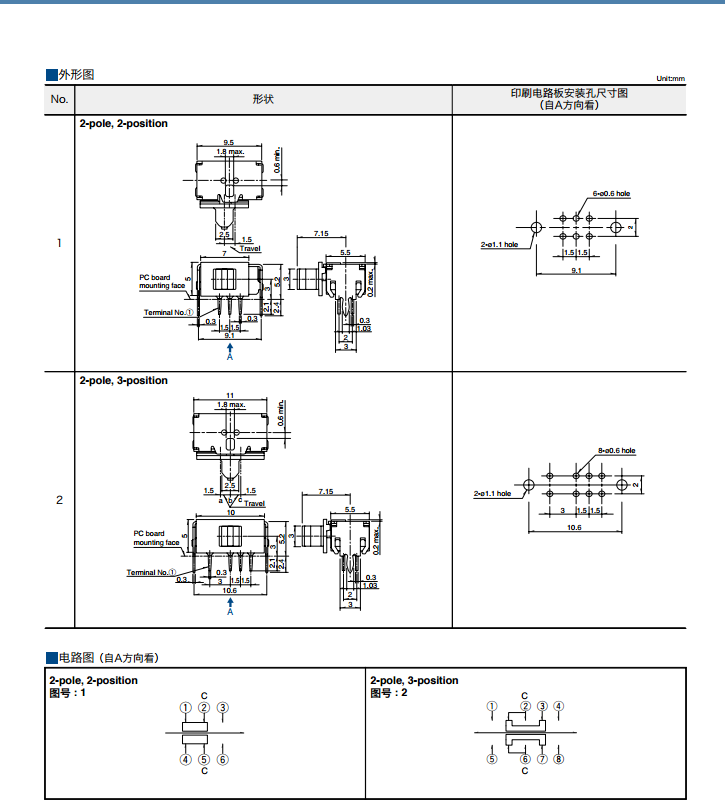
型号:SSAC120100,SSAC120200
上一篇:ALPSALPINE开关SSSS9系列
下一篇:ALPSALPINE开关SSSF系列
...
型号:EC05E1220202,EC05......
信号继电器(2A以下)>GN继电器...
型号:UGXZE-3...
PhotoIC耦合器>50Mbps......
QQ咨询
联系电话
微信扫一扫
返回顶部