SSCF110100,SSCF210100,SSCF210300,SSCF310100
咨询热线
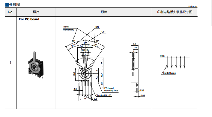
型号:SSCF110100,SSCF210100,SSCF210300,SSCF310100
上一篇:ALPSALPINE开关SSCT系列
下一篇:ALPSALPINE开关SSCW系列
...
焦电型红外线传感器>EKMB (W......
型号:SKSCLCE010,SKSCLA......
型号:AFT14A903A...
型号:SKTKABE010...
按钮开关...
信号继电器(2A以下)>GN继电器...
QQ咨询
联系电话
微信扫一扫
返回顶部