SPED220200,SPED210203
咨询热线
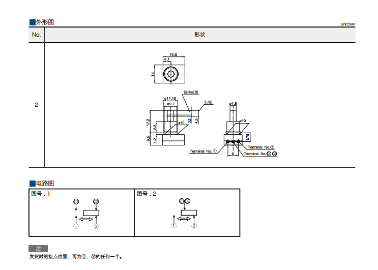
型号:SPED220200,SPED210203
上一篇:ALPSALPINE开关SPEF系列
下一篇:ALPSALPINE开关 SPED3/4/5系列
...
型号:SKPGACE010,SKPGAA......
焦电型红外线传感器>EKMB (W......
型号RDC1010A12,RDC1014......
型号:SKSTAAE010,SKSTAC......
QQ咨询
联系电话
微信扫一扫
返回顶部