咨询热线
上一篇:PANASONIC窄间距连接器AXK5S00337YG|P5KS
下一篇:PANASONIC窄间距连接器AXK5S20037YG|P5KS
焦电型红外线传感器>EKMB (W......
...
SF继电器 窄长型...
信号继电器(2A以下)>GN继电器...
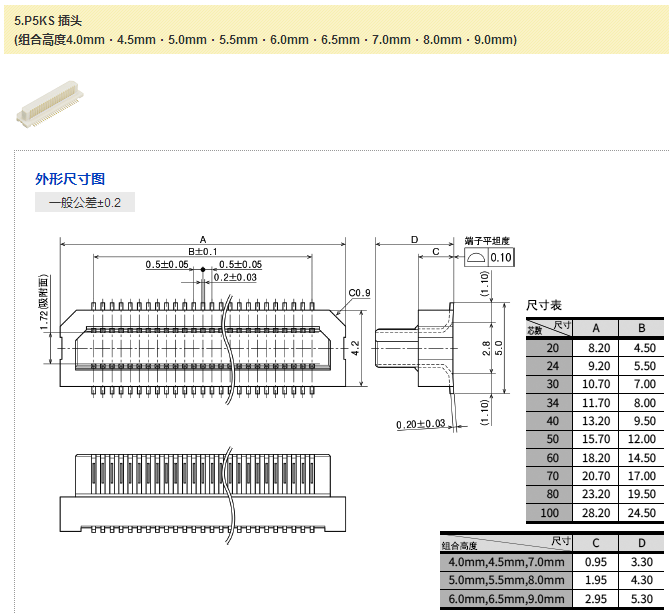
窄间距连接器>P5K/P5KS(0......
型号:SKHLAAA010,SKHLAC......
QQ咨询
联系电话
微信扫一扫
返回顶部