PANASONIC连接器AXK6S30647YG
窄间距连接器>P5K/P5KS(0......
咨询热线
0755-29367799| 订货产品号 | ADZS22105 |
| 型号 | ADZS22105 |
| 产品名称 | DZ-S继电器 |
| 特长 | 对应IEC62055-31 UC3 1a 90A功率磁保持继电器 |
| 项目 | 内容 |
|---|---|
| 订货产品号 | ADZS22105 |
| 型号 | ADZS22105 |
| 保护构造 | 防尘罩 |
| 动作机能 | 双线圈磁保持 |
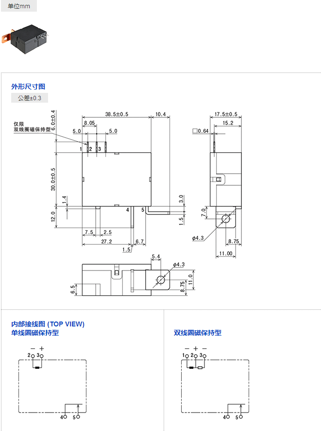
| 端子形状 | 垂直端子 |
| 触点容量类型 | 高容量 |
| 包装数量 内箱 (个) | 20 |
| 包装数量 外箱 (个) | 200 |
| 项目 | 内容 |
|---|---|
| 线圈额定电压 | 5 V DC |
| 置位电压(at20°C) | 线圈额定电压的70% V以下 (初始) |
| 复位电压(at20°C) | 线圈额定电压的70% V以下 (初始) |
| 额定动作电流 〔±10%〕(at20°C) | 600 mA |
| 线圈电阻 〔±10%〕(at20°C) | 8.3 Ω |
| 额定消耗功率 | 3.0 W |
| 更大施加电压 (at20°C) | 线圈额定电压的130% V |
| 项目 | 内容 |
|---|---|
| 触点构成 | 1a |
| 触点形状 | 单触点 |
| 触点电压降 (初始) | 0.09 V以下 (90 A通电时)、0.05 V以下 (10 A通电时) |
| 触点材料 | AgSnO2 type |
| 触点容量(电阻负载) | 90 A 250 V AC |
| 触点更大允许电力(电阻负载) | 24,840 VA |
| 触点更大允许电压 | 276 V AC |
| 触点更大允许电流 | 90 A (AC) |
| 最小适用负载(参考値) | 100 mA 125 V AC |
| 绝缘电阻(初始) | 1,000 MΩ以上(500 V DC 绝缘电阻计,测量与耐电压项相同的位置) |
| 耐电压(初始):触点间 | 2,000 V AC 1分钟 (检测电流:10 mA) |
| 耐电压(初始):触点与线圈间 | 4,000 V AC 1分钟 (检测电流:10 mA) |
| 耐浪涌电压(初始):触点与线圈间 | 12,000 V |
| 置位时间(初始) (at20°C) | 线圈额定电压 20 ms以下 (不含触点弹跳) |
| 复位时间(初始)(at20°C) | 线圈额定电压 20 ms以下 (不含触点弹跳) |
| 误动作冲击 | 300 m/s2 (正弦半波脉冲:11 ms、检测时间:10 µs) |
| 耐久冲击 | 1,000 m/s2 (正弦半波脉冲:6 ms) |
| 误动作振动 | 10 ~ 55 Hz (双向振幅:1.5 mm、检测时间:10 µs) |
| 耐久振动 | 10 ~ 55 Hz (双向振幅:2.0 mm) |
| 机械寿命 | 10万次以上 (通断频率180次/分) |
| 使用条件 | 温度:-40~+85°C 湿度:5~85% RH (无结冰、凝露) |
| 质量(重量) | 约45 g |
| 项目 | 内容 |
|---|---|
| 电阻负载 | 1万次以上 90 A 250 V AC (通断频率 ON : OFF = 2 秒 : 4 秒) |
| UC3 Class (IEC62055-31) | 1万次以上 90 A 276 V AC (COSφ = 1.0 : 5,000次、COSφ = 0.5 : 5,000次) (通断频率 ON : OFF = 10 秒 : 20 秒) |
