PANASONIC传感器EKMB1110112
焦电型红外线传感器>EKMB (W......
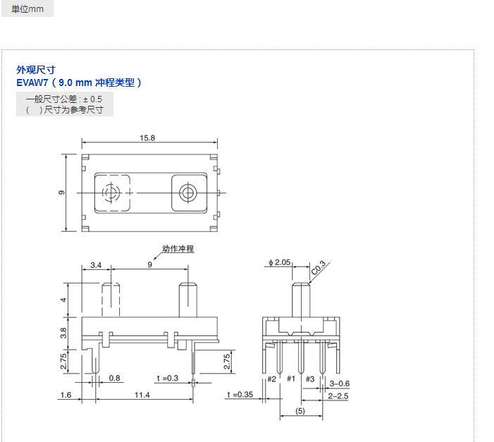
线性位置传感器
" />咨询热线
0755-29367799| 订货产品号 | EVAW7Y |
| 型号 | EVAW7Y |
| 产品名称 | 线性位置传感器 |
| 特长 | 动作行程种类丰富 |
| 项目 | 内容 |
|---|---|
| 订货产品号 | EVAW7Y |
| 型号 | EVAW7Y |
| 支持车载 | 支持 |
| 外形尺寸 (W) (mm) | 10.0 |
| 外形尺寸 (D) (mm) | 3.0 (推杆除外) |
| 外形尺寸 (H) (mm) | 15.0 |
| 工作冲程 | 8.0 mm ± 0.5 mm |
| 操纵力 | 1 N 以下 |
| 直线性 | ± 1 % |
| 总电阻值 | 4.7 kΩ ± 30 % |
| 额定电压 | 12 V DC 以下 |
| 电阻变化特性 | B |
| 寿命 | 10,000次以上 |
| 使用环境温度 | -40 °C ~ +105°C |
| 贮存温度 | -40 °C ~ +105°C |
| 最小包装数量 | 200个 |
| 包装方式 | 托盘包装 |
| 包装箱容量 | 2,000个 |




焦电型红外线传感器>EKMB (W......

...

...

信号继电器(2A以下)>GN继电器...

...

...

焦电型红外线传感器>EKMB (W......

SF继电器 窄长型...