PANASONIC传感器EKMC1604111
焦电型红外线传感器>EKMC (V......
咨询热线
0755-29367799| 订货产品号 | ESE18R62D |
| 型号 | ESE18R62D |
| 产品名称 | ESE18型 |
| 特长 | 程:标准行程(1.5 mm),长行程(2.15 mm) 具备 电路结构:常开式,常闭式具备 |
| 项目 | 内容 |
|---|---|
| 订货产品号 | ESE18R62D |
| 型号 | ESE18R62D |
| 移动类型 | 右向移动 |
| 移动方向 | 水平 |
| 规格 | 50 µA 3 V DC~10 mA 5 V DC (电阻负荷) |
| 接触电阻 | 500 mΩ以下 (初始) |
| 绝缘电阻 | 100 MΩ以上 (100 V DC 1分钟) |
| 耐电压 | 100 V AC (50Hz或60Hz 1分钟) |
| 操纵力 | 300 mN 以下 |
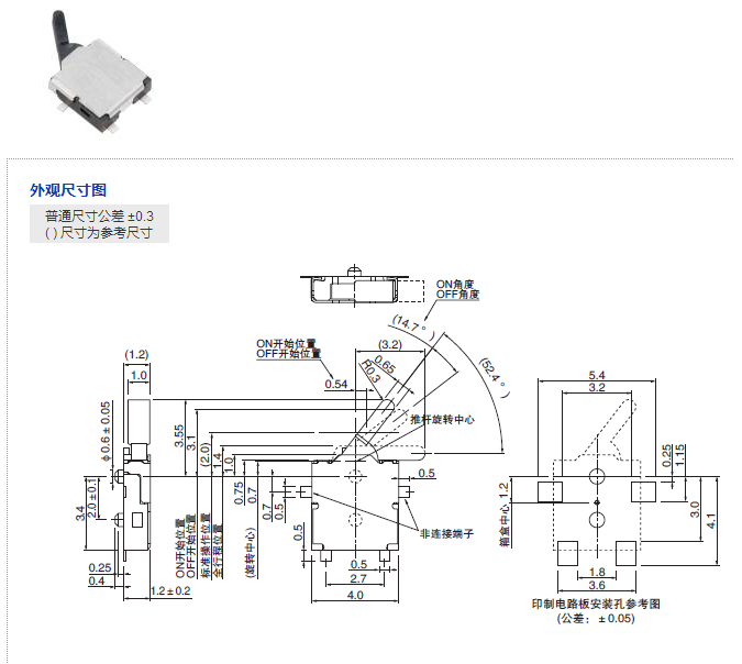
| 外观尺寸 (WxDxH) | 4.0 x 4.4 x 1.2 mm |
| 安装高度 | 1.2 mm |
| 定位销 | 带定位销 |
| 定位销高度 | 0.4 mm |
| 端子形状 | 平面端子 |
| 安装规格 | 用于回流焊 |
| 电路结构 | 常闭式 |
| 电路数、接点数 | 1个电路1个接点 |
| 行程种类 | 长行程 |
| 全行程位置 | 1.4 mm |
| 压入量 | 2.15 mm |
| 操作寿命 | 50,000 次以上 |
| 使用温度范围 | 标准: –10°C~+60°C 车载: -40°C~+85°C |
| 耐热性 | +70°C (96小时) |
| 耐寒性 | -25°C (96小时) |
| 耐湿性 | +40°C 90% RH ~ 95% RH (96小时) |
| 包装形式 | 模压带包装 (卷盘包装) |
| 最小包装数量 | 5,000 个 |
| 包装箱容量 | 30,000 个 |




焦电型红外线传感器>EKMC (V......

...

焦电型红外线传感器>EKMB (W......

...

SF继电器 窄长型...

信号继电器(2A以下)>GN继电器...

焦电型红外线传感器>EKMC (V......

...