ALPSALPINE表面贴装「轻触开关」 SKHU系列
型号:SKHUAKE010,SKHUAL......
咨询热线
0755-29367799| 订货产品号 | ESE11SH5 |
| 型号 | ESE11SH5 |
| 产品名称 | ESE11型 |
| 特长 | 灵活的安装形式,操作方向 |
| 项目 | 内容 |
|---|---|
| 订货产品号 | ESE11SH5 |
| 型号 | ESE11SH5 |
| 移动类型 | 水平移动 |
| 移动方向 | 水平 |
| 规格 | 50 µA 3 V DC~10 mA 5 V DC (电阻负荷) |
| 接触电阻 | 500 mΩ以下 (初始) |
| 绝缘电阻 | 100 MΩ以上 (100 V DC 1分钟) |
| 耐电压 | 100 V AC (50Hz或60Hz 1分钟) |
| 操纵力 | 350 mN 以下 (全行程) |
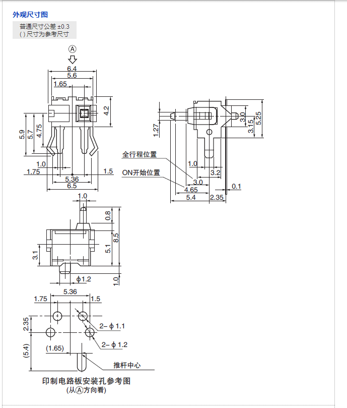
| 外观尺寸 (WxDxH) | 6.4 x 5.1 x 4.2 mm |
| 安装高度 | 5.25 mm |
| 定位销 | 无定位销 |
| 端子形状 | Dip端子 |
| 安装规格 | 用于浸流焊 |
| 镀 | 镀金 |
| 电路结构 | 常开式 |
| 电路数、接点数 | 1个电路1个接点 |
| 行程种类 | 标准行程 |
| 全行程位置 | 3 mm |
| 压入量 | 2.4 mm |
| 操作寿命 | 50,000 次以上 |
| 使用温度范围 | 标准: –10°C~+70°C 车载: -40°C~+85°C |
| 耐热性 | +80°C (96小时) |
| 耐寒性 | -25°C (96小时) |
| 耐湿性 | +40°C 90% RH~95% RH (96小时) |
| 包装形式 | 塑料袋 (散装) |
| 最小包装数量 | 200 个 |
| 包装箱容量 | 10,000 个 |





型号:SKHUAKE010,SKHUAL......

...

...

焦电型红外线传感器>EKMC (V......

型号:SSAL120100,SSAL22......

...

SF继电器 窄长型...

...