PANASONIC继电器ADW1105HLW
功率继电器(2A超)>DW继电器...
咨询热线
0755-29367799| 订货产品号 | ESE23F101 |
| 型号 | ESE23F101 |
| 产品名称 | ESE23型 |
| 特长 | 应对超长行程(能直通操作),双向动作中心自动复位型 |
| 项目 | 内容 |
|---|---|
| 订货产品号 | ESE23F101 |
| 型号 | ESE23F101 |
| 移动类型 | 双向动作 |
| 移动方向 | 水平 |
| 规格 | 50 µA 3 V DC~10 mA 5 V DC (电阻负荷) |
| 接触电阻 | 500 mΩ以下 (初始) |
| 绝缘电阻 | 100 MΩ以上 (100 V DC 1分钟) |
| 耐电压 | 100 V AC (50Hz或60Hz 1分钟) |
| 操纵力 | 300 mN以下 |
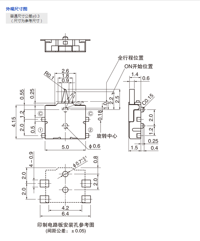
| 外观尺寸 (WxDxH) | 5.0 x 4.4 x 1.5 mm |
| 安装高度 | 1.5 mm |
| 定位销 | 带定位销 |
| 定位销高度 | 0.4 mm |
| 端子形状 | 平面端子 |
| 安装规格 | 用于回流焊 |
| 电路结构 | 常开式 |
| 电路数、接点数 | 1个电路 2个接点 (中点OFF) |
| 行程种类 | 标准行程 |
| 全行程位置 | 1.0 mm |
| 压入量 | 1.5 mm |
| 操作寿命 | 50,000次以上 |
| 使用温度范围 | 标准: –10°C~+60°C 车载: -40°C~+85°C |
| 耐热性 | +70°C (96小时) |
| 耐寒性 | -25°C (96小时) |
| 耐湿性 | +40°C 90% RH ~ 95% RH (96小时) |
| 包装形式 | 模压带包装 (卷盘包装) |
| 最小包装数量 | 4,000 个 |
| 包装箱容量 | 24,000 个 |




功率继电器(2A超)>DW继电器...

...

...

信号继电器(2A以下)>GN继电器...

...

...

功率继电器(2A超)>LZ-N继电......

型号:SKSWCEE010,SKSWCF......