德利威/Dailywell旋钮开关RT Series
RT系列旋钮开关,可以选择使用1~8组极......
咨询热线
0755-29367799| 订货产品号 | ESE24MH1 |
| 型号 | ESE24MH1 |
| 产品名称 | ESE24型 |
| 特长 | 也可作为操作开关(输入设备)使用,双向动作中心自动复位型 |
| 项目 | 内容 |
|---|---|
| 订货产品号 | ESE24MH1 |
| 型号 | ESE24MH1 |
| 移动类型 | 双向动作 |
| 移动方向 | 水平 |
| 规格 | 50 µA 3 V DC~10 mA 5 V DC (电阻负荷) |
| 接触电阻 | 500 mΩ以下 (初始) |
| 绝缘电阻 | 100 MΩ以上 (100 V DC 1分钟) |
| 耐电压 | 100 V AC (50Hz或60Hz 1分钟) |
| 操纵力 | 350 mN以下 |
| 外观尺寸 (WxDxH) | 7.5 x 5.6 x 3.0 mm |
| 安装高度 | 3.0 mm |
| 定位销 | 无定位销 |
| 端子形状 | 直型端子 |
| 安装规格 | 用于回流焊 |
| 电路结构 | 常开式 |
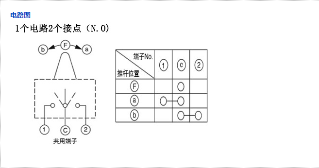
| 电路数、接点数 | 1个电路 2个接点 (中点OFF) |
| 行程种类 | 标准行程 |
| 全行程位置 | 1.4 mm |
| 压入量 | 2.45 mm |
| 操作寿命 | 50,000次以上 |
| 使用温度范围 | 标准: –10°C~+70°C 车载: -40°C~+85°C |
| 耐热性 | +80°C (96小时) |
| 耐寒性 | -25°C (96小时) |
| 耐湿性 | +40°C 90% RH ~ 95% RH (96小时) |
| 包装形式 | 塑料袋 (散装) |
| 最小包装数量 | 200 个 |
| 包装箱容量 | 10,000 个 |




RT系列旋钮开关,可以选择使用1~8组极......

...

焦电型红外线传感器>EKMC (V......

...

型号:RK09K113004U,RK09......

...

型号:SSSF011700,SSSF01......

...