PANASONIC传感器EKMB1301113K
焦电型红外线传感器>EKMB (W......
咨询热线
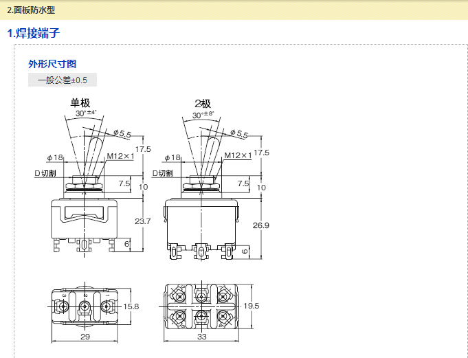
0755-29367799| 订货产品号 | WD101180F |
| 型号 | TP115A-F |
| 产品 | 弯头开关 |
| 产品名称 | 15A开关 |
| 特长 | 对应15A的操作用开关 |
| 项目 | 内容 |
|---|---|
| 订货产品号 | WD101180F |
| 型号 | TP115A-F |
| 按键形状 | 弯头型 |
| 型 | 面板防水型 |
| 极数及动作特性 | 单极单投 |
| 动作特性 | ON-OFF |
| 端子形状 | 焊接端子 |
| 额定 | 15A 250V AC/0.5A 250V DC/0.9A 125V DC/15A 30V DC |
| 保护构造 | IP67 |



焦电型红外线传感器>EKMB (W......

...

型号:SPVQA10103,SPVQA1......

功率继电器(2A超)>DJ-H继电......

专为工控产业研发出的防水工控开关,更高R......

...

...

信号继电器(2A以下)>GN继电器...