关于我们
联系我们
欢迎光临深圳市大成明华科技有限公司官网!
卓越的
电子元器件
及方案供应商
专注知名品牌电子元器件核心代理
全国咨询热线:
0755-29367799
网站首页
关于我们
公司简介
公司理念
资质证书
组织架构
现货供应
应用领域
ALPSALPINE品牌
ALPSALPINE 传感器
ALPSALPINE TACT SWITCH
ALPSALPINE 开关
ALPSALPINE 编码器
ALPSALPINE 电位器
ALPSALPINE 多功能操作装置
ALPSALPINE contactsheet
ALPSALPINE 触摸屏输入设备
ALPSALPINE 连接器
ALPSALPINE 通信模块
ALPS 制成的功率电感器
ALPSALPINE 电流传感器
ALPSALPINE 环型线圈
ALPSALPINE 非球面玻璃透镜
ALPSALPINE 驱动机构
ALPSALPINE 打印机
NIDEC
小型,精密马达
设备装置
电子设备
模具,成型切削,加工部件
车载
单元,模组产品
POGOPIN连接器
2.0mm间距
2.54mm间距
3.0mm间距
3.5mm间距
5.08mm间距
7.62mm间距
其他品牌
SHINMEI
长晶微电子
C&K
广濑/HRS
PANASONIC
捷捷微电子
德利威/Dailywell
招贤纳士
新闻资讯
公司新闻
行业新闻
常见动态
联系我们
热门关键词:
ALPSALPINE
NIDEC
您的位置:
Home
>>
其他品牌
>>
PANASONIC
产品中心
ALPSALPINE品牌
ALPSALPINE 传感器
ALPSALPINE TACT SWITCH
ALPSALPINE 开关
ALPSALPINE 编码器
ALPSALPINE 电位器
ALPSALPINE 多功能操作装置
ALPSALPINE contactsheet
ALPSALPINE 触摸屏输入设备
ALPSALPINE 连接器
ALPSALPINE 通信模块
ALPS 制成的功率电感器
ALPSALPINE 电流传感器
ALPSALPINE 环型线圈
ALPSALPINE 非球面玻璃透镜
ALPSALPINE 驱动机构
ALPSALPINE 打印机
NIDEC
小型,精密马达
设备装置
电子设备
模具,成型切削,加工部件
车载
单元,模组产品
POGOPIN连接器
2.0mm间距
2.54mm间距
3.0mm间距
3.5mm间距
5.08mm间距
7.62mm间距
其他品牌
SHINMEI
长晶微电子
C&K
广濑/HRS
PANASONIC
捷捷微电子
德利威/Dailywell
咨询热线
0755-29367799
PANASONIC触动式开关WD111180F
在线咨询
全国热线
13714696201
产品详情
订货产品号
WD111180F
型号
TP115D-F
产品
弯头开关
产品名称
15A开关
特长
对应15A的操作用开关
规格详细
项目
内容
订货产品号
WD111180F
型号
TP115D-F
按键形状
弯头型
型
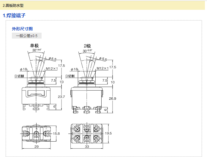
面板防水型
极数及动作特性
单极双投
动作特性
ON-ON
端子形状
焊接端子
额定
15A 250V AC/0.5A 250V DC/0.9A 125V DC/15A 30V DC
保护构造
IP67
上一篇:
PANASONIC触动式开关WD1105F
下一篇:
PANASONIC触动式开关WD111181F
相关产品
PANASONIC检测开关ESE18L62C
...
PANASONIC窄间距连接器AXT3741F4 | P4S屏蔽型
...
PANASONIC轻触开关EVQQ2D03W
...
PANASONIC触动式开关WDR111382BF
...
PANASONIC触动式开关WDR101182BF
...
PANASONIC输出光电耦合器MOSFET驱动器
...
PANASONIC大电流连接器AXF482700 | B02
...
PANASONIC轻触开关EVQQ2U03W
...
QQ咨询
联系电话
13714696201
微信扫一扫
返回顶部