ALPSALPINE编码器 EC11系列
型号:EC11B15202AN,EC11......
咨询热线
0755-29367799| 订货产品号 | ESB30B305 |
| 型号 | ESB30B305 |
| 产品名称 | ESB30按压开关 |
| 特长 | 可应对长行程 |
| 项目 | 内容 |
|---|---|
| 订货产品号 | ESB30B305 |
| 型号 | ESB30B305 |
| 规格 | 50 µA 3 V DC~0.2 A 14 V DC (电阻负荷) |
| 使用温度范围 | -10°C~+70°C (标准) -40°C~+85°C (车载) |
| 耐热性 | +70°C (96小时) (标准) +85°C (96小时) (车载) |
| 耐寒性 | -10°C (96小时) (标准) -40°C (96小时) (车载) |
| 耐湿性 | +40°C, 90%~95% RH (96小时) |
| 无负载寿命(标准) | 10,000次 (电压降:0.2 V 以下) |
| 是的负荷寿命(标准) | 10,000次 (电压降:0.2 V 以下) |
| 无负载寿命(用于车载) | 30,000次 (电压降:0.2 V 以下) |
| 是的负载寿命(用于车载) | 30,000次 (电压降:0.2 V 以下) |
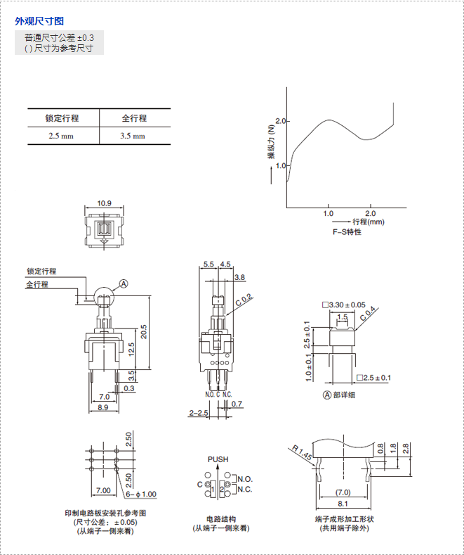
| 外观尺寸 (WxDxH) | 10.9 x 10 x 20.5 mm |
| 安装高度 | 12.5 mm |
| 推杆高度 | 20.5 mm |
| 全行程 | 3.5 mm |
| 电路数、接点数 | 2个电路 2个接点 |
| 工作形式 | 非锁定 |
| 转换时间 | 非短路 |
| 操纵力 | 2.0 N ±1.0 N |
| 实装型 | 浸焊 |
| 端子形状 | 成形加工端子 |
| 包装形式 | 托盘包装 |
| 最小包装数量 | 50 个 |
| 包装箱容量 | 2,000 个 |


型号:EC11B15202AN,EC11......

开关与DC JACK的结合大幅缩小使用空......

...

SF-M继电器...

...

信号继电器(2A以下)>GN继电器...

信号继电器(2A以下)>GN继电器...

焦电型红外线传感器>EKMB (W......